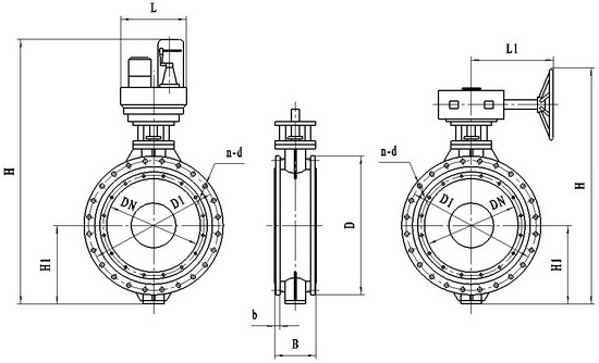
型号说明:Type description D943H 电动Electric type D343H 手动Manual type
技术参数表:Technical Data Sheet
|
技术性能 Name
|
技术参数Parameters
|
|
公称压力(MPa) PN
|
0.25
|
0.6
|
1.0
|
1.6
|
2.5
|
|
密封试验压力(MPa)
seal test pressure
|
0.275
|
0.66
|
1.1
|
1.76
|
2.75
|
|
强度试验压力(MPa)
strength test pressure
|
0.375
|
0.9
|
1.5
|
2.4
|
3.75
|
|
适用温度Temperature
|
300℃
|
|
适用介质Medium
|
空气、烟气、粉尘气体等 Air, smoke, gas with powder etc
|
外形图:Outline

D943H-6/10/16/25