网站首页 >> 产品介绍/Product
安全阀
日期:2017-01-10 08:29:41
 

安全阀 AQF-Ⅰ

Safety Valve

概 述Overview

      广泛应用于建材、有色、冶金、煤炭、热电等行业。它用于仓库顶因物理变化而产生的内压,易爆气体的排放及安全防范。

      The valve is widely used in building material, metallurgy, coal carbon and thermoelectricity industries etc. It is applied in top of storage where inner pressure is made because of physics change, the let-off of easy-exploding and safety prevention.

技术参数表:Technical Data Sheet

使用压力Working pressure

适用温度Working Temperature

适用介质Working Medium

≤0.1MPa

≤150℃

压缩易爆气体

Compressed exploding gas

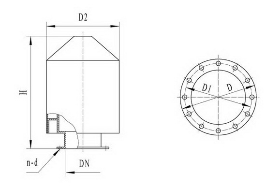
外形图:Outline

外形连接尺寸:Profile dimensions

DN

D

D1

D2

H

n-d

200

280

245

420

650

8-Φ12

250

350

305

470

650

12-Φ12

300

400

355

520

700

12-Φ12

350

450

405

570

700

12-Φ12

400

500

455

620

700

16-Φ14

500

600

555

720

750

20-Φ14