技术参数表:Technical Data Sheet
|
公称压力
PN
|
适用温度
Working temperature
|
适用介质
Working medium
|
|
0.6MPa
|
180℃
|
干燥粉料、粒料、腐蚀性粉末、液态物料等
Dry powder, grain, caustic powder, liquid material etc.
|
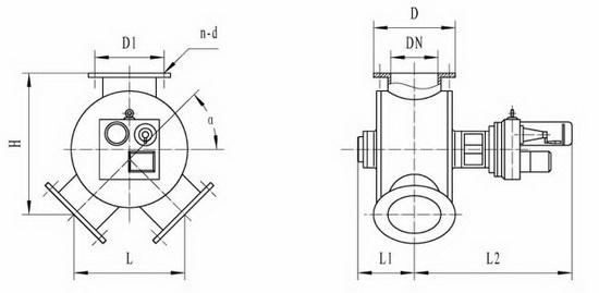
外形图:Outline

外形连接尺寸:Profile dimensions
|
DN
|
D
|
D1
|
α
|
L
|
n-d
|
L1
|
L3
|
|
50
|
140
|
110
|
45°
|
202
|
4-Φ14
|
150
|
470
|
|
50°
|
183
|
|
55°
|
184
|
|
60°
|
180
|
|
65
|
160
|
130
|
45°
|
252
|
4-Φ14
|
160
|
480
|
|
50°
|
239
|
|
55°
|
234
|
|
60°
|
224
|
|
80
|
190
|
150
|
45°
|
275
|
4-Φ18
|
175
|
495
|
|
50°
|
270
|
|
55°
|
261
|
|
60°
|
247
|
|
100
|
210
|
170
|
45°
|
307
|
4-Φ18
|
185
|
505
|
|
50°
|
299
|
|
55°
|
287
|
|
60°
|
262
|
|
125
|
240
|
200
|
45°
|
352
|
8-Φ18
|
200
|
520
|
|
50°
|
350
|
|
55°
|
333
|
|
60°
|
316
|
|
150
|
265
|
225
|
45°
|
377
|
8-Φ18
|
215
|
535
|
|
50°
|
363
|
|
55°
|
350
|
|
60°
|
335
|
|
175
|
295
|
255
|
45°
|
399
|
8-Φ18
|
230
|
550
|
|
50°
|
393
|
|
55°
|
381
|
|
60°
|
362
|
|
200
|
320
|
280
|
45°
|
388
|
8-Φ18
|
240
|
560
|
|
50°
|
382
|
|
55°
|
371
|
|
60°
|
364
|
|
250
|
375
|
335
|
45°
|
523
|
12-Φ18
|
265
|
675
|
|
50°
|
510
|
|
55°
|
495
|
|
60°
|
481
|
|
300
|
440
|
395
|
45°
|
547
|
12-Φ22
|
300
|
710
|
|
50°
|
537
|
|
55°
|
529
|
|
60°
|
511
|