技术参数表:Technical Data Sheet
|
适用介质
Working medium
|
适用温度
Working temperature
|
卸灰能力
Capacity
|
|
干燥粉尘、颗粒、晶体料等
Dry powder dust, grain, crystalloid etc
|
150℃
|
3~168m3/h
|
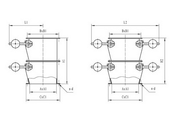
外形图:Outline

外形连接尺寸:Profile dimensions
|
A×A1
|
B×B1
|
C×C1
|
H1
|
H2
|
L1
|
L2
|
n-d
|
|
150×150
|
195×195
|
230×230
|
500
|
|
420
|
|
8-Φ10
|
|
200×200
|
245×245
|
280×280
|
600
|
|
490
|
|
8-Φ10
|
|
220×220
|
265×265
|
300×300
|
600
|
|
510
|
|
8-Φ10
|
|
250×250
|
305×305
|
350×350
|
600
|
|
580
|
|
12-Φ10
|
|
300×300
|
355×355
|
400×400
|
750
|
600
|
610
|
1220
|
12-Φ10
|
|
320×320
|
375×375
|
420×420
|
750
|
600
|
630
|
1260
|
12-Φ12
|
|
400×400
|
455×455
|
500×500
|
850
|
700
|
750
|
1500
|
16-Φ12
|
|
428×428
|
483×483
|
528×528
|
850
|
700
|
764
|
1528
|
16-Φ12
|
|
450×450
|
505×505
|
550×550
|
850
|
700
|
775
|
1550
|
16-Φ12
|
|
480×480
|
535×535
|
580×580
|
850
|
700
|
790
|
1580
|
20-Φ14
|
|
500×500
|
555×555
|
600×600
|
850
|
800
|
800
|
1600
|
20-Φ14
|
|
600×600
|
655×655
|
700×700
|
850
|
850
|
960
|
1920
|
20-Φ14
|
|
480×690
|
535×745
|
580×790
|
850
|
800
|
790
|
1580
|
20-Φ14
|
|
400×720
|
455×775
|
500×820
|
900
|
800
|
750
|
1500
|
18-Φ14
|
|
600×800
|
655×855
|
700×900
|
900
|
850
|
960
|
1920
|
22-Φ14
|
|
800×800
|
855×855
|
900×900
|
1300
|
1200
|
1060
|
2320
|
24-Φ14
|
|
800×1000
|
855×1070
|
900×1130
|
|
1200
|
|
2320
|
28-Φ18
|
|
1000×1000
|
1070×1070
|
1130×1130
|
|
1300
|
|
2940
|
28-Φ18
|