技术参数表:Technical Data Sheet
|
适用介质
Working medium
|
适用温度
Working temperature
|
卸灰能力
Capacity
|
|
干燥粉尘、颗粒、晶体料等
Dry powder dust, grain, crystalloid etc
|
150℃
|
3~168m3/h
|
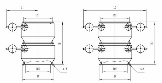
外形图:Outline

外形连接尺寸:Profile dimensions
|
DN
|
D
|
D1
|
H1
|
H2
|
L1
|
L2
|
n-d
|
|
150
|
230
|
195
|
500
|
|
460
|
|
8-Φ10
|
|
200
|
280
|
245
|
600
|
|
500
|
|
8-Φ10
|
|
220
|
300
|
265
|
600
|
|
520
|
|
8-Φ10
|
|
250
|
350
|
305
|
600
|
|
560
|
|
12-Φ10
|
|
300
|
400
|
355
|
650
|
|
600
|
|
12-Φ10
|
|
320
|
420
|
375
|
750
|
|
620
|
|
12-Φ12
|
|
400
|
500
|
455
|
850
|
700
|
815
|
1630
|
16-Φ12
|
|
450
|
550
|
505
|
850
|
800
|
840
|
1680
|
16-Φ12
|
|
500
|
600
|
555
|
950
|
850
|
870
|
1740
|
20-Φ14
|
|
600
|
700
|
655
|
|
950
|
|
1920
|
20-Φ14
|
|
720
|
820
|
775
|
|
1100
|
|
2220
|
20-Φ14
|
|
800
|
900
|
855
|
|
1200
|
|
2520
|
24-Φ14
|
|
1000
|
1130
|
1070
|
|
1450
|
|
2940
|
28-Φ18
|