注:n-转速,r/min(偏差允许在10%范围内);Q-输送量,m3/h;表中Q值的填充系数为0.33。
Note: n means rotate speed. Q means transport amount. Fill coefficient of Q in the table is 0.33.
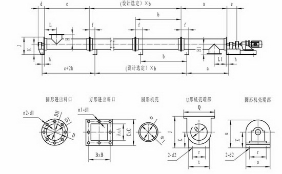
外形图:Outline

外形连接尺寸:Profile dimensions
|
螺旋直径
|
100
|
160
|
200
|
250
|
315
|
400
|
500
|
630
|
800
|
1000
|
1250
|
|
a
|
2000~3000
|
2500~3500
|
2500~4000
|
|
b
|
2500
|
3000
|
3500
|
|
c
|
2000~3000
|
2500~3500
|
2500~4000
|
|
d
|
180
|
180
|
180
|
200
|
270
|
230
|
250
|
300
|
340
|
360
|
380
|
|
e
|
208
|
240
|
280
|
285
|
320
|
395
|
400
|
445
|
460
|
460
|
465
|
|
f
|
120
|
120
|
120
|
120
|
120
|
160
|
160
|
160
|
160
|
160
|
160
|
|
A×A
|
100
|
160
|
200
|
250
|
315
|
400
|
500
|
630
|
800
|
1000
|
1250
|
|
B×B
|
144
|
204
|
244
|
294
|
375
|
460
|
560
|
700
|
870
|
1080
|
1330
|
|
C×C
|
180
|
240
|
280
|
330
|
410
|
500
|
600
|
750
|
920
|
1130
|
1390
|
|
DN
|
120
|
180
|
224
|
274
|
340
|
400
|
500
|
630
|
800
|
1000
|
1250
|
|
D1
|
166
|
226
|
270
|
320
|
400
|
486
|
586
|
730
|
900
|
1115
|
1370
|
|
D
|
206
|
266
|
310
|
360
|
448
|
536
|
636
|
790
|
960
|
1180
|
1440
|
|
H
|
163
|
190
|
212
|
240
|
340
|
384
|
440
|
555
|
650
|
760
|
910
|
|
H1
|
112
|
150
|
180
|
224
|
250
|
280
|
340
|
420
|
520
|
630
|
760
|
|
Lmin
|
180
|
200
|
225
|
250
|
330
|
350
|
400
|
450
|
550
|
650
|
800
|
|
L1
|
180
|
200
|
225
|
250
|
330
|
350
|
400
|
450
|
550
|
650
|
800
|
|
h
|
60
|
60
|
60
|
60
|
60
|
80
|
80
|
80
|
80
|
80
|
80
|
|
J
|
180
|
245
|
300
|
370
|
465
|
585
|
685
|
860
|
1088
|
1275
|
1520
|
|
K
|
112
|
150
|
180
|
224
|
280
|
355
|
400
|
500
|
800
|
1000
|
1250
|
|
Q
|
178
|
266
|
320
|
370
|
443
|
533
|
653
|
790
|
970
|
1190
|
1440
|
|
r
|
120
|
120
|
160
|
200
|
300
|
320
|
400
|
500
|
630
|
710
|
800
|
|
s
|
178
|
266
|
310
|
360
|
448
|
536
|
636
|
790
|
960
|
1180
|
1440
|
|
t
|
160
|
160
|
200
|
250
|
350
|
400
|
500
|
630
|
800
|
1000
|
1250
|
|
u
|
200
|
285
|
335
|
404
|
504
|
623
|
720
|
895
|
1110
|
1300
|
1520
|
|
Ф
|
100
|
160
|
200
|
250
|
315
|
400
|
500
|
630
|
800
|
1000
|
1250
|
|
Ф1
|
120
|
180
|
224
|
274
|
340
|
428
|
528
|
662
|
832
|
1040
|
1290
|
|
n1
|
4
|
8
|
8
|
8
|
12
|
16
|
16
|
20
|
24
|
32
|
40
|
|
n2
|
8
|
8
|
8
|
8
|
8
|
12
|
12
|
16
|
16
|
20
|
20
|
|
d1
|
11
|
11
|
11
|
11
|
13
|
13
|
13
|
17
|
17
|
22
|
22
|
|
d2
|
14
|
14
|
14
|
18
|
20
|
24
|
24
|
24
|
28
|
28
|
28
|