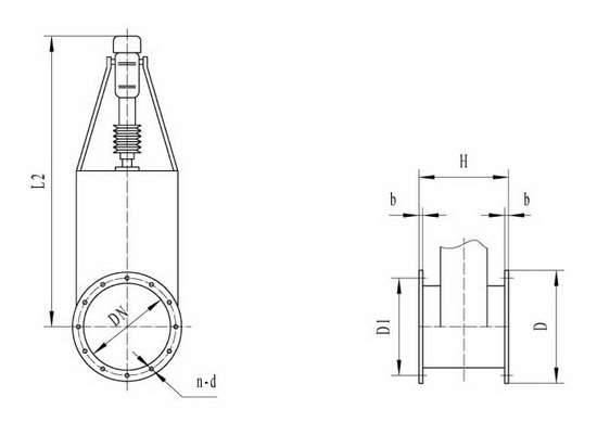
DPB-Y外形图:Outline

DPB-Y外形连接尺寸:Profile dimensions
|
DN
|
D
|
D1
|
b
|
H
|
n-d
|
L1
|
|
200
|
280
|
245
|
6
|
250
|
8-Φ10
|
1270
|
|
250
|
350
|
305
|
6
|
250
|
12-Φ10
|
1480
|
|
300
|
400
|
355
|
6
|
250
|
12-Φ10
|
1630
|
|
350
|
450
|
405
|
6
|
250
|
12-Φ12
|
1780
|
|
400
|
500
|
455
|
6
|
250
|
16-Φ12
|
1930
|
|
450
|
550
|
505
|
8
|
250
|
16-Φ12
|
2080
|
|
500
|
600
|
555
|
8
|
250
|
20-Φ14
|
2220
|
|
560
|
660
|
615
|
8
|
250
|
20-Φ14
|
2400
|
|
600
|
700
|
655
|
8
|
350
|
20-Φ14
|
2520
|
|
630
|
730
|
685
|
8
|
350
|
20-Φ14
|
2610
|
|
700
|
800
|
755
|
8
|
350
|
20-Φ14
|
2820
|
|
750
|
850
|
805
|
10
|
350
|
20-Φ14
|
2970
|
|
800
|
900
|
855
|
10
|
350
|
24-Φ14
|
3120
|
|
850
|
950
|
905
|
10
|
350
|
24-Φ14
|
3270
|
|
900
|
1000
|
955
|
10
|
350
|
24-Φ14
|
3420
|
|
1000
|
1130
|
1070
|
12
|
450
|
28-Φ18
|
3940
|
|
1100
|
1230
|
1170
|
12
|
450
|
28-Φ18
|
4240
|
|
1200
|
1330
|
1270
|
12
|
450
|
28-Φ18
|
4540
|
|
1300
|
1430
|
1370
|
12
|
450
|
32-Φ18
|
4840
|
|
1400
|
1530
|
1470
|
12
|
450
|
36-Φ18
|
5140
|